Problem With Street Rs 2020 Headlight On Speed Rs 2018 , Please Help.

Discussion in 'Speed Triple' started by Fernandaluz, Oct 8, 2022.

  1. This site uses cookies. By continuing to use this site, you are agreeing to our use of cookies. Learn More.
  1. Good morning, I am helping a friend to install the headlight of the triumph street triple rs 2020 on the speed triple rs 2018 and we are having a problem and that is that when we put the high beam on, the low beam turns off and the high beam does not turn on totally, it seems that it lacks current.
    The installation of the cables is correct and verified several times by him but I share the video and photos to see if we can help him to find the problem.
    If someone can provide me with the wiring diagram of the street and the speed, I could see if any cable is crossed in any connector.
    Cheers!

    Send video of the problem and upload photos so we can see the cables.

    https://youtube.com/shorts/BYBUlSMBQBw?feature=share

    IMG-20221007-WA0039.jpg

    IMG-20221007-WA0040.jpg
     
  2. im sorry, use translator o_O
     
  3. tcbandituk

    Subscriber

    Apr 8, 2016
    2,895
    1,000
    Reading
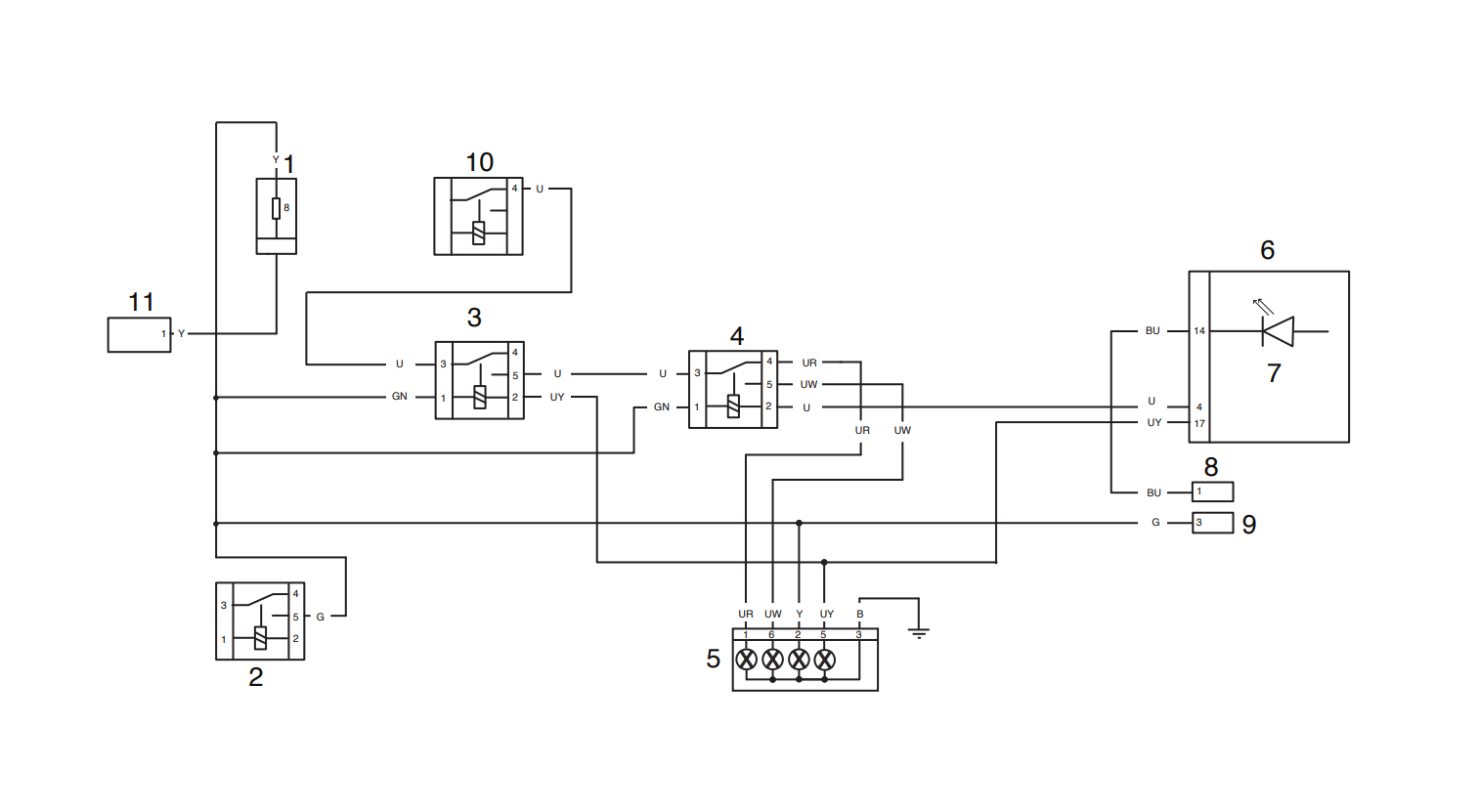
    Street Triple RS headlight wiring
    upload_2022-10-8_12-5-2.png
     
    • Like Like x 1
    • Love You Love You x 1
  4. Thanks friend, now need the wiring of the speed to look well.
     
  5. Ducatitotriumph

    Ducatitotriumph Crème de la Crème

    Apr 25, 2019
    2,187
    1,000
    Rothwell
    • Like Like x 1
    • Useful Useful x 1
    • Love You Love You x 1
  6. tcbandituk

    Subscriber

    Apr 8, 2016
    2,895
    1,000
    Reading
    Diagram is at the start of page 528, you need to zoom in on it to see it properly.


    upload_2022-10-8_13-54-30.png
     
    • Like Like x 1
    • Useful Useful x 1
    • Agree Agree x 1
  7. As soon as I check it I'll tell you... I hope the headlight is fine :(
     
  8. matspeed

    matspeed New Member

    Jan 26, 2021
    0
    0
    korea
    Have you solved this problem?
    I'm currently having the same problem.
    Can you help me?
     
  9. Dont cant help you
    My headlight is fine.
     
Loading...

Share This Page