T595 Idle Air Pipes

Discussion in 'Technical Help' started by Jugg, Mar 30, 2021.

  1. This site uses cookies. By continuing to use this site, you are agreeing to our use of cookies. Learn More.
  1. Jugg

    Jugg Senior Member

    Mar 22, 2021
    81
    113
    Aberdeen
    Evening all

    When changing the plugs on my bike I noticed the idle air pipes were kinked over, they must have previously perished and someone has bodged a fix with fuel line or something. That'll be why it runs fine with revs but doesn't like to idle.

    Anyone got any repairs for sorting without buying a second hand set? I am going to try make up 3, 180° bends with stainless pipe at work and just use the hose that is there with jubilee clips.

    Screenshot_20210330-203127_Gallery.jpg

    Just wanted to see if anyone else had a repair method I hadn't thought of

    Cheers
     
  2. sprintdave

    sprintdave Nurse, think it's time for his medications.

    May 25, 2014
    1,679
    750
    Birmingham
    Is that the vacuum pipes x3?
    My t509 has vacuum type silicone rubber tubing , think it was 6mm off ebay, works a treat.
     
    • Useful Useful x 1
  3. Jugg

    Jugg Senior Member

    Mar 22, 2021
    81
    113
    Aberdeen
    Yeah that's the ones, my original plan didn't work, the pipes fouled on the airbox and the throttle assembly. So I cut the pipe down to smaller sections just to make do for now.

    20210331_214548.jpg
    IMG-20210331-WA0040.jpeg

    Will order up some silicone tubing on ebay and try again! Just trying to save a few pennies!:joy:
     
  4. sprintdave

    sprintdave Nurse, think it's time for his medications.

    May 25, 2014
    1,679
    750
    Birmingham
    Just make sure it is vacuum rated. Normal silicone pipe can deform and crimp.
     
  5. Jugg

    Jugg Senior Member

    Mar 22, 2021
    81
    113
    Aberdeen
    Yeah the tube that is there is too thick walled, definitely not fit for purpose. Will have to sort something else out, can't get it to stay unkinked and miss the throttle linkage
     
  6. Vasile Plamadeala

    Vasile Plamadeala New Member

    Jul 2, 2022
    0
    1
    College Town, Sandhurst
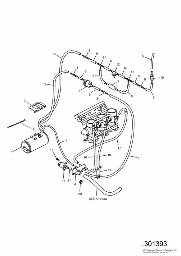
    Hi there, so did your plan work or not, i have th same problem on my bike, i want to try to do as you, and i'm missing the canister Nr1, from the photo, and no idea where is the place for it, can anyone help me please?

    301393-0-2.jpg
     
  7. sprintdave

    sprintdave Nurse, think it's time for his medications.

    May 25, 2014
    1,679
    750
    Birmingham
    If you check the parts list it is USA Cal or HK only
     
  8. Baza

    Baza Elite Member

    Jul 25, 2020
    4,501
    750
    Amazing Grace
    I'm not familiar with your setups but looking at the photos would it not be better to come off of the throttle body with a hard 90º bend?
     
  9. Jugg

    Jugg Senior Member

    Mar 22, 2021
    81
    113
    Aberdeen
    I wound up using smaller tubing that was pretty stiff, you just have to be sure you've got no leaks. You won't have that canister if you're in the UK, the throttle bodies are fed off a little valve off the airbox to regulate idle.
     
  10. Jugg

    Jugg Senior Member

    Mar 22, 2021
    81
    113
    Aberdeen
    There's not really enough room, you have to come off pretty sharp to get back down past the fuel rail
     
  11. DanielB

    DanielB Noble Member

    Jan 13, 2019
    887
    393
    Abingdon, Oxfordshire
    • Like Like x 2
Loading...

Share This Page