Tiger Sport 2022 Tiger Sport 660 Rear Brake Light Issue - Possible Wiring Diagram Error

Discussion in 'Tiger / Explorer' started by PaleNorseman, Aug 6, 2025.

  1. This site uses cookies. By continuing to use this site, you are agreeing to our use of cookies. Learn More.
  1. PaleNorseman

    PaleNorseman New Member

    Aug 6, 2025
    0
    1
    Wisconsin, USA
    Morning All, new Triumph owner here and happy to have found this place. I recently picked up a used 2022 Tiger Sport 660 and have been loving every second of it, but noticed yesterday that the rear brake pedal wasn't activating the brake lights.

    It's an odd issue, sometimes after pulling the front brake lever and releasing it the rear brake pedal switch will work, other times after you pull and release the front it won't work at all. The front brake lever always turns on the lights

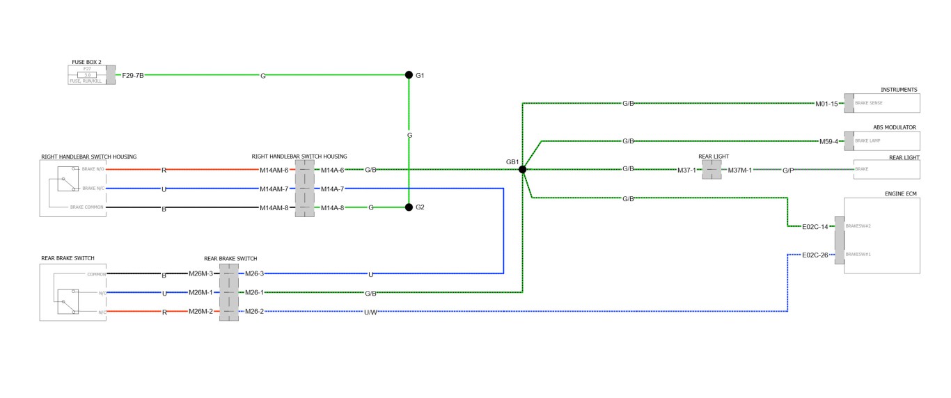
    I decided to try and track the wiring to see if I could troubleshoot and ran into something odd. In the triumph service manual if you look at the brake wiring schematic it appears to show a path for the power (F29-7B) that goes through the front switch housing, over to the rear switch housing, and then goes to the GB1 junction. However, if that was the case your brake light would always be getting power. It made me think that maybe the rear brake switch was shown with the normally closed on the wrong pin

    [​IMG]

    Sure enough, I went to the pin point test section of the manual and it seems to show the rear brake switch as normally closed to pin 2, not pin 1 as in the other circuit.

    [​IMG]

    So I'm proceeding under the assumption that the original schematic is wrong and the troubleshooting schematic is the correct one. Still need to try and figure out what's going on with the rear brake light, but hopefully this helps someone else who is working with their wiring.

    [​IMG]
     
Loading...

Share This Page